2018년 2차 서울시 7급 11번 (필요한 자유도만 취해서 빠르게 풀이)

1.개요
이전 글에서 구조물 해석을 다루며 일반적으로 부정정 차수가 높을수록 변위법이 유리하다는 이야기를 한 바 있습니다.
2018년 1차 서울시 7급 1번 (부정정 차수가 높을 땐 변위법)
1. 개요부정정 차수가 높다는 것은 무엇을 의미할까요?이는 7급·9급 시험의 관점에서는 오히려 자유도의 개수가 낮을 가능성이 크다는 뜻으로 해석할 수 있습니다.위의 구조물이 바로 그런 전형
oreostructure.com
그런데 변위법에 익숙하지 않은 분들 중에는, 변위법을 자유도가 매우 적고 부정정 차수가 아주 높을 때에만 쓰는 특수한 방법으로 오해하는 경우가 있는 것 같습니다.
혹시 이런 그릇된 인식을 갖고 계실까 봐, 위와 같은 문제를 예시로 가져왔습니다.
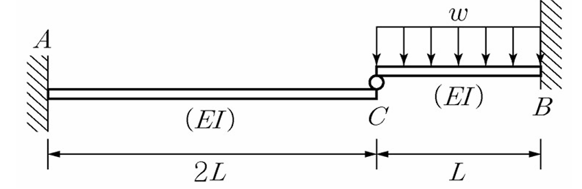
위 구조물은 1차 부정정 구조물이며, 형식적으로 보면 자유도는 총 3개입니다.
구체적으로는
- 보 AC에서의 C점 회전각
- 보 BC에서의 C점 회전각
- C점의 수직 처짐
이렇게 세 가지 자유도가 존재합니다.
이제 문제에서 실제로 무엇을 묻고 있는지를 다시 봅시다.
문제의 요구사항은 B점에서의 휨모멘트입니다.
그렇다면 이 세 가지 자유도 중에서, B점의 내력(휨모멘트)에 실제로 영향을 주는 자유도는 무엇일까요?
먼저, 보 AC에서의 C점 회전각을 생각해 봅시다.
보 AC는 자유단을 갖는 구조이므로, C점에서의 내력은 항상 0입니다.
따라서 AC 부재에서의 C점 회전각은 B점의 내력에 아무런 영향도 미치지 않습니다.
같은 논리로, 보 BC에서의 C점 회전각 역시
B점의 휨모멘트에는 직접적인 영향을 주지 않습니다.
결국 B점의 내력에 영향을 미치는 유일한 요소는 C점의 수직 처짐입니다.
이 수직 처짐은 보 BC에 현회전각을 유발하고,
그 결과로 B점에 휨모멘트가 발생하게 됩니다.
따라서 이 문제는
자유도가 “하나만 존재해서” 단자유도 문제가 되는 것이 아니라,
나머지 자유도들이 B점 내력에 영향을 주지 않기 때문에 관심에서 제거해도 되는 문제입니다.
이와 같은 관점으로 보면, 위 문제는
형식적으로는 3자유도 구조물이지만
해석 대상에 한정하면 단자유도 문제처럼 다룰 수 있는 구조물이 됩니다.
만약 이 개요를 읽고 개념적으로 혼란이 느껴지신다면,
자유도 선택과 영향 자유도에 대해 설명한 이전 포스팅 링크도 함께 참고해 보시길 권합니다.
https://oreostructure.tistory.com/83
수정된 처짐각 법 - 처짐각 법 pt 4 (연산을 가볍게)
1. 개요두 개의 회전각과 그에 대응하는 모멘트 사이의 관계식을 우리는 이미 여러 차례 도출해 보았습니다.또한 처짐 역시 현(Chord)–회전각으로 표현하여 모멘트와 연결하는 관계식도 정립해
oreostructure.com
차근차근 따라오시면, 왜 변위법이 “자유도가 적을 때만 쓰는 방법”이 아니라
문제의 핵심 자유도를 골라내는 사고 방식인지 분명해질 것입니다.
2.문제풀이

위의 개요에서 이야기 한대로 M_B는 C에서의 수직처짐 (δc)에 대한 자유도에 대해서만 영향을 받습니다.
이를 처짐각 식으로 대입해보면 다음과 같습니다.

한편 δc는 등가절점하중을 두개의 보의 강성을 병렬연결한 스프링에 나눠주면 산정할 수 있습니다.

따라서 절점 B에서의 모멘트는 다음과 같이 산정할 수 있습니다.

따라서 답은 ①로 매우 쉽게 산정됩니다.
3. 마무리하며
겉으로는 복잡해 보이지만, 변위법을 활용하면 단 두 번의 짧은 연산만으로도 빠르게 답을 도출할 수 있는 문제입니다.
즉, 자유도가 많아 보이더라도 문제에서 실제로 요구하는 값을 산정하는 데 필요 없는 자유도는 과감히 무시하여 구조물을 단순화할 수 있다면, 변위법은 매우 효과적인 풀이 도구가 됩니다. 여기에 더해, 부재 내에 작용하는 분포하중을 집중하중으로 치환하는 등가절점하중 개념까지 활용할 수 있다면,문제는 난이도가 높아질수록 오히려 더 빠르고 쉽게 접근할 수 있습니다.
이제 각 지자체의 7·9급 선발 인원도 하나둘씩 발표되고 있는 것으로 알고 있습니다.
더 많은 TO가 열려, 많은 분들께 기회가 주어지길 바랍니다.
하지만 현실적으로 보면, 대다수의 수험생들은
“응용역학은 과락만 넘기자”라는 전략을 취하는 경우가 많습니다.
등가절점하중이나 변위법은 어렵다는 이유로 아예 배제해 버리기도 합니다.
또 기출문제를 반복해서 풀다 보면, 어느 순간 풀이를 이해하는 것이 아니라 답과 풀이 흐름을 암기하게 되고,
“이 정도면 과락은 피하겠지”라고 스스로를 안심시키게 됩니다.
문제는 시험장에서 드러납니다.
효율적인 접근을 고민하지 않은 채 정확하지 않은 자유물체도부터 천천히 그리며 접근하다 보니
한 문제에 과도한 시간을 쓰게 되고,
그 결과 이번 시험이 “신유형이 많았다”, “유난히 어려웠다”라고 느끼게 됩니다.
합격하려면 대다수의 수험생과는 다른 전략을 취해야 합니다.
난이도가 낮게 나오면 빠르고 정확하게 풀어 점수를 안정적으로 확보하고,
난이도가 높게 나올 경우에도 합격선보다 2~5문제 정도 더 맞출 수 있는 실력을 갖추는 것이 중요합니다.
이미 공지드린 것처럼 2월 11일에 무료 특강이 진행될 예정입니다.
이를 잘 활용하셔서, 단순히 과락을 피하는 수준이 아니라
응용역학을 합격 과목으로 만드는 계기가 되시길 바랍니다.
[무료강의] 처짐각법 강의, 휨부재의 변위법 접근
안녕하세요. 오레오구조입니다.이전에 축부재를 주제로 한 변위법 특강을 진행한 바 있으며, 당시 참여해 주신 분들로부터 강의 내용과 구성에 대해 만족도가 높았다는 피드백을 받았습니다.
oreostructure.com