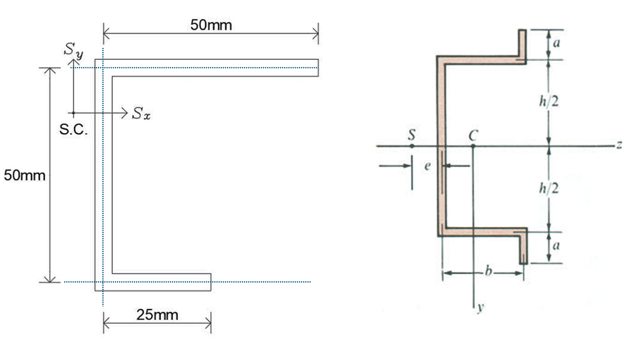
비대칭단면 전단 중심에 대해 (2009년 5급 구조역학 2번 문항)

1.개요
구독자분의 질문이 있어 이에 대해 정리해보고자 합니다.
기존의 전단중심(전단중심 기반 풀이)이 항상 성립하는지에 대해 설명드리고, 비대칭 단면에서는 어떤 흐름으로 문제를 접근해야 하는지 이어서 서술하겠습니다.
전단응력은 단순히 외워서 사용하는 공식이 아니라, 휨응력의 변화에서 출발합니다.
즉, 모멘트의 변화로 인해 단면 내 휨응력이 위치별로 달라지고, 이 차이로 인해 전단응력이 발생하게 됩니다.
따라서 전단응력 공식은 반드시 휨응력 공식과 연결되어 이해해야 합니다.
전단흐름 ff가 VQ/I로 표현되는 이유도, 휨응력 공식 σ=My/I에서 출발하기 때문입니다.
단면 내에서 휨응력의 차이를 적분한 결과가 전단흐름이 되고,
이를 단면의 폭으로 나누면 전단응력이 됩니다.
이와 같은 전체적인 “스토리 라인”을 이해하는 것이 매우 중요합니다.
그렇다면 비대칭 단면에서는 어떻게 될까요?
휨응력 자체의 분포가 달라지기 때문에, 전단흐름 또한 동일한 형태로 적용될 수 없습니다.
즉, 단순히 VQ/I를 기계적으로 적용하는 것이 아니라,
비대칭 단면에 맞는 휨응력 분포를 먼저 이해한 뒤 전단흐름을 유도해야 합니다.
2009년 구조역학 문제의 특징은 단순히 “비대칭 단면”이라는 점에만 있지 않습니다.
문제에서 주어진 단면 물성치의 정의 방식 또한 매우 특이합니다.
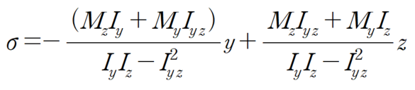
일반적으로 얇은 단면(thin-walled section)의 경우,
- web 길이는 상부 플랜지 중심부터 하부 플랜지 중심까지,
- flange 길이는 플랜지 끝단부터 web 중심선까지
정의되는 것이 일반적입니다.
하지만 해당 문제에서는 단면 폭의 중앙을 기준으로 길이가 주어져 있어,
일반적인 정의와 차이가 발생합니다.
건축구조기술사 124회 문제와 Timoshenko & Gere Mechanics of Materials 교재의 예시를 비교해보면,
보통은 아래 그림과 같이 단면 폭의 중심선을 기준으로 길이가 정의됩니다.

따라서 2009년 구조역학 2번 문항은 출제 의도와는 별개로,
단면 길이 정의에 대한 보완 또는 수정이 필요하다고 볼 수 있습니다.
이번 포스팅에서는 이러한 혼동을 줄이기 위해,
단면 폭 정의를 일반적인 기준으로 수정한 뒤 문제를 풀어보도록 하겠습니다.
2.문제풀이
(1) 단면 특성 산정

얇은 단면(thin-walled section)에서 문제 풀이의 핵심은
두께 t의 세제곱항(t^3)이 포함된 항은 매우 작기 때문에 무시할 수 있다는 점입니다.
따라서 이차 단면계수(단면 2차 모멘트)를 산정할 때 이러한 항들을 생략하면,
계산을 단순화할 수 있습니다.
물론 이러한 근사를 통해 계산량을 줄일 수는 있지만,
비대칭 단면의 경우에는 여전히 계산 과정이 길어지고 시간이 많이 소요되는 편입니다.
특히 y축, z축에 대한 이차 단면계수와 단면상승모멘트(Iyz)까지 모두 구해야 하므로,
각 요소에 대해 평행축 정리를 적용하여 일일이 계산해야 합니다.
결국 이러한 과정을 차근차근 수행하다 보면, 위의 그림과 같은 단면 물성치들을 얻을 수 있습니다.
(2) 전단흐름 산정
① 비대칭 단면의 전단흐름
비대칭 전단휨응력의 공식은 아래와 같습니다.
우리가 알고 있는 σ=M ×y /I 의 확장되고 일반화 된 공식이라고 보시면 됩니다.

전단흐름의 일반식은, 길이 방향에 따른 휨응력의 차이를 먼저 구한 뒤 이를 단면에 대해 적분하는 과정을 통해 유도됩니다.
이 과정에서 도출되는 식은 매우 복잡한 형태를 가지므로, 이를 그대로 암기할 필요는 없습니다.
다만 중요한 것은 개념적인 이해입니다.
전단흐름과 전단응력은 모두 휨응력 공식과 깊이 연결되어 있으며,
특히 비대칭 단면의 경우에는 단면상승모멘트(Iyz)가 포함되면서 식의 형태가 훨씬 복잡해진다는 점을 기억하시면 충분합니다.
암기해야 하는 공식이 절대 아니며 실제로 아래와 같이 124회 건축구조기술사에서도 공식을 주어졌습니다.

전단흐름의 공식을 보시고 휨응력의 공식을 한번 비교 해보십시오.

전단흐름의 공식은 형태적으로 보면, 휨응력의 일반식과 유사한 구조를 가진다는 정도의 감각만 가져가셔도 충분합니다.
2009년 5급 구조역학 문제의 경우, 다소 까다롭게도 비대칭 단면에서의 전단흐름 공식을 따로 제시하지 않았습니다.
출제 의도가 이를 직접 유도해보라는 것이었는지는 명확하지 않지만, 실제로는 상당히 난이도가 높은 접근입니다.
단면 물성치 산정 자체만으로도 계산량이 많은데,
여기에 전단흐름 공식을 유도하는 과정까지 더해지면 시간 소모가 매우 커지게 됩니다.
그에 비해 정답을 맞출 수 있다는 보장도 크지 않은 문제라고 볼 수 있습니다.
실제 시험장에서 이 문제를 정확하게 해결한 수험생이 얼마나 있었을지 의문이 들 정도입니다.
② Vy에 대한 전단흐름과 전단 중심
전단흐름에 대한 식은 그 형태가 매우 길고 복잡하기 때문에, 이를 그대로 서술하는 것은 큰 의미가 없다고 판단됩니다.
일반식에 단면 물성치를 대입하는 과정 자체는 어렵지 않지만,
계산량이 많아 시간 소모가 크다는 점이 핵심입니다.
따라서 이번에는 계산식 전개보다는, 전단흐름이 실제 단면에서 어떻게 분포하는지를 직관적으로 이해할 수 있도록
그래프를 작도하여 설명드리겠습니다.
하단 플랜지에서는 약 3.16 cm 지점까지 전단흐름이 반대 방향으로 흐르다가,
해당 지점을 기점으로 방향이 바뀌는(뒤집히는) 모습을 확인할 수 있습니다.

③ Vz에 대한 전단 흐름과 전단 중심

3.마무리하며
대칭 단면의 경우, 플랜지에서 전단흐름은 선형적으로 분포하는 형태를 보입니다.
하지만 위 문제와 같은 비대칭 단면에서는 플랜지 부분의 전단흐름이 일차함수가 아닌,
이차함수 형태의 포물선으로 나타나게 됩니다.
이처럼 해석 과정이 한층 복잡해지기 때문에,
2024년 서울시 7급 문제(ㄷ형 대칭단면의 전단 중심 산정)에서처럼 간단하게 접근하기는 어렵습니다.
전단흐름의 일반식을 암기하는 것은 현실적으로 부담이 큰 작업이며,
설령 알고 있더라도 단면 물성치를 모두 산정하는 과정 자체가 상당한 시간을 요구합니다.
따라서 본 포스팅의 목적은 비대칭 단면의 전단응력을 “정확하게 풀어내는 것”에 있지 않습니다.
그보다는 전단흐름으로 이어지는 핵심 개념의 흐름을 짚어보고,
공식이 어떻게 유도되는지 감각적으로 이해하며,
비대칭 단면에서 전단흐름이 얼마나 복잡하게 나타나는지를 확인하는 데 목적이 있습니다.
직접 따라 풀어보시는 것도 의미는 있지만, 시험 대비 관점에서 효율적인 학습이라고 보기는 어려울 수 있습니다.
사실 구독자의 질문이 아니었다면 굳이 풀어보지 않았을 문제이기도 합니다.
“기술고시에 이런 문제가 출제될 수 있을까?”라는 질문이 생길 수 있습니다.
개인적으로는 출제된다면, 건축구조기술사 시험과 유사하게 일반식을 함께 제시하는 형태로 나올 가능성이 높다고 생각합니다.
그 경우에는 결국 단면 물성치를 정확하게 계산하느냐가
문제의 정답률을 좌우하는 핵심 요소가 될 것입니다.